万兴消防实业(wanxoo)成立于2009年,生产基地位于福建泉州,销售自营公司分布湖南怀化、长沙、株洲、贵阳、重庆、四川;主要生产销售喷淋系统、消火栓系统、水泵房系统、应急疏散指示系统、报警系统、气体灭火系统、防火门系统、防排烟系统、消防器材产品等以服务以辐射湖南、贵州、重庆、四川等消防水电系统产品品牌运营商。...
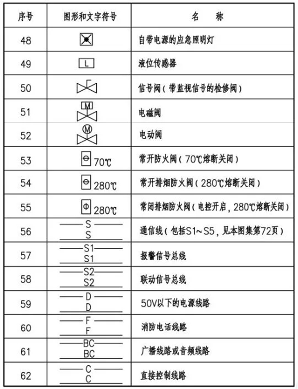
作为一名合格的消防人,关于火灾自动报警系统的各种消防器材怎么能只认识文字呢,下面小编将各种器材的图形和文字符号都汇总下来了,快快来收藏学习吧!